-WEB SITE REVISIONS
     - Most Recent Changes
       
   - HOME

 

[SYNTOR] [SYNTOR X] [SYNTOR X 9000 and X 9000E] [TRUNKING SYNTOR X and SYNTOR X 9000] [SPECTRA]

 

[PL] [DPL] [PAC-PL and PAC-RT VEHICLE REPEATERS][HHCH] [PROM PROGRAMMERS] [POWER WIRING]

 

[GLOSSARY] [WEB LINKS] [SURPLUS PARTS GUIDE] [ITEMS FOR SALE] [WEB SITE REVISIONS] [CONTACT]

 

This page is used as a reference to help keep track of changes and corrections to the web site. For the time being I will keep informal change information here. This will help keep the home page cleaner.

After the finishing proofread and the public debut of the web site I will reset this page and start maintaining it as a record of changes.

The web site http://www.wwa.com/~pakman/syntorx.htm has moved to http://home.xnet.com/~pakman/syntor/syntorx.htm so please update your bookmarks.

MAY 2000:

There have been allot of updates during May (especially the introduction, programming, cables, Syntor X 9000 information and items for sale) so you might want to check these sections again. Some photos have been added to control heads and accessories and mode select control head modifications.

JUNE 2000:

So far most of my time in June has been spent on Syntor X 9000 information (corrections, new cable pinout graphics, new jumper locators, expanded manual information, etc.), Trunking Model Information, Syntor Model Information pages, the Radio Model Quick Locator and the System 90*s Standard Hookup Diagram. The Syntor X 9000 page got way too large, was split up into smaller pages and given equal billing to the Syntor X information.

Sorry about the major web site trauma, but as of June 27 things are changing to make room to split up the X 9000 page into manageable pieces (i.e. it gets its own space). Allot of the existing files have been renamed so links or bookmarks to pages other than index.html may be broken. I apologize if I have broken any navigation links. I will fix them as soon as I find them.

JULY 2000:

The DETAILED CONTENTS list was added, this Web Site Revisions page is now used, the Syntor X SURPLUS PARTS GUIDE has more speaker information, the CANADIAN SYNTOR X page was added, the Syntor X 9000 RADIO and CONTROL HEAD PARTS page and HOME page now has expanded information.

AUGUST 2000:

The Syntor X 9000E to X 9000 conversion worked and two substitute 8K EEPROMs were found for the 2864A EEPROM. Additional Syntor X 9000 control head information was added. Some broken and incorrect links were located and fixed.

SEPTEMBER 2000:

Some additional information was added to the Syntor page including a PROM to EPROM conversion project. Added a missing chunk of Syntor clamshell conversion information with help from Bob Du Brul, WB0RJR. How to add a Scan Enable Switch is also new. The Syntor X has a VHF revision A manual correction and there is a new VHF manual version chart to help locate the correct version of the manual for paticular VHF radios. I also found new information on the HLN4270A Interface Board. The Syntor X radio power ratings were updated on the model charts.

October 2000:

The Syntor X Introduction has been expanded and now contains "new" radio tips. Many of these tips were developed by helping others with radio problems via e-mail. I finally got to the Extended Frequency Modifications page. The Extended Frequencies Modifications was also added to the Syntor X 9000 section. I forgot to specifically mention some important cable wiring differences for Syntor X radios with HLN4760C Personality Boards, Clamshell 32/16/8 Mode Basic Wiring Example, Clamshell 32/16 Mode + Scan Head Wiring Example, System 90*s 32/16/8 Mode Basic Wiring Example, System 90*s 8 Mode Scan Wiring Example, System 90*s 32/16 Mode Scan Wiring Example, System 90*s 32/16 Mode Scan + MPL Head Wiring Example, System 90*s 32/16/8 Mode + Scan Head Wiring Example. Added to the Systems 9000 control head information want list. New 32 mode jumper information was added to the Syntor EPROM project. The Extended Frequencies Modifications page has already grown, it may even be better :-). The Syntor X 9000 control head information was revamped, added to and put on its own Control Head Page (I hope I did not break any navigation links). The Motorola trademark list was expanded and standardized.

November 2000:

The HLN4728A Hand Held Control Head interface board was inadvertently left out of the description of circuit boards mounted upside down above the Personality Board on the Syntor X home page. Still more embellishments are being made on the Extended Frequencies Modifications page. Here it is after Thanksgiving and I have been modifying the Extended Frequencies Modifications page yet again. A Syntor X VHF visual tour page was added. This should help on line purchasers communicate to sellers about how to check for the Unified Chassis Number and optional receiver RF preamplifier. I expect the tour page(s) to grow in the future.

December 2000:

The part number for the Personality Board J301 ribbon cable to stack 2 option boards was added to the Syntor X 9000 parts page. A typo on the Syntor UHF range 1 Unified Chassis Numbers was corrected. I can not seem to leave the Extended Frequencies Modifications page alone (new mixer frequency chart and improved VCO V1 control line explanation). I just found a fixed 2 bad links on the November 2000 Extended Frequencies Modifications links on this page. Two Syntor X accessory manual part numbers were added for the Voice Privacy Adaptor (VPA) and Siren / PA (both manuals are still available from Motorola). Additional VPA and Siren part numbers have been added to the Control Heads & Accessories page (plus some clean-up work). The web site http://home.xnet.com/~pakman/syntorx.htm and has moved again to http://home.xnet.com/~pakman/syntor/syntorx.htm, so please update your bookmarks again. The X 9000 conversions section to go beyond the standard 32 modes was expanded and rewritten.

January 2001:

I would like to wish everyone a happy thrid millenium! The Syntor X 9000 options and accessories page has a new notation on the trunking Siren/PA and its T-Cable. I am getting more information about radio and control head RSS programming problems related to EEPROMs that already have trunking information in them. This is information is still accumlating, but I have included some of it on the Syntor X 9000 Conversions page and Control Head page. More changes will follow. Some Syntor X 9000 microphone part numbers were added. The Syntor X 9000 options chart has been expanded to include all the options I could scour from my manual collection and moved to the Options page since it is no longer only a lookup for manuals. New Syntor X manual numbers for EMS and PAC-RT have been added. Syntor cable part numbers and some accessory part numbers were added. Syntor X 9000 RSS manual numbers were added.

February 2001:

Trunking cable numbers have been added to the Trunking page and an updated link has been provided on the Syntor X Cable page. A new radio inspection has been added to the Syntor X 9000/9000E page. The Syntor X 9000 Options and Accessories page has new sections and expanded information in the existing sections. A new Singletone manual was added to the Syntor X 9000 manual page. The manual addendum for the Syntor X low band T51 radio has been added to the manual page. The Syntor X HLN4915A Personality Board information has been located (its jumpers are identical to the HLN4760A). Fixed a manual part number error on the trunking page (68P81060E10 was incorrectly shown as 68P81060W10).

March 2001:

The Syntor X to Syntor X 9000 conversion explanation was improved. Additional X 9000 UHF manual errata was added. New information about Syntor X 9000 RSS computer requirements, 32 to 64 mode and X9000E to X 9000 conversions has been added. The Systems 9000 Vehicle Repeater System (VRS) manual number number was added. A deeper understanding of Systems 9000 control heads has prompted an ongoing rewrite of the Syntor X 9000 control head page. There is new information on how to convert a trunking HCN1047 into a conventional control head and a warning about unusable HCN1032 control heads that are relabeled as useful control heads (including instructions on identifying these deceptive control heads). A new programming troubleshooting tip was added to the Syntor X 9000 introduction page.

April 2001:

The Syntor X 9000 cable page has an update on J1 pin 12. The Syntor X 9000 options and accessories page has new option W codes for Siren/PA with Front/Rear control and new Siren/PA T-cable information. The Syntor X 9000 model page has new Vehicle Repeater System (VRS) model numbers. The Syntor X 9000 manual page has new VRS manual information. The part number for the Syntor X 9000 Systems 9000 control head display lens changed. A detailed Syntor X to Syntor X 9000 conversion page has been added. The HCN1036 control head has been added to the control head list thanks to Jason Rasmussen and also the HCN1045 control head. Two new ways of clearing trunking information from a control head EEPROM have been added (clearing a trunking control head EEPROM in a X9k radio and using conventional Spectra RSS), also thanks to Jason Rasmussen. An additional paragraph on the computer speed problems has been added. The Syntor X 9000 front /rear control head manual number and complete option code (W800ADSP) have been added. Again thanks to Jason Rasmussen I have learned the HCN1062 SMD construction control head is permanently a 2k EEPROM control head (only up to 32 modes) and is not upgradable. This information has been added to the Syntor X 9000 control head page and conversion page. The HHCH Control Board jumper locator was added to the Syntor X jumper table. The Syntor X 9000 FAIL and ERROR code prefixes have been added. Two Systems 9000 special VRS parts were added to the parts page. Some general cleanup was done on the Options and Accessories page and a few new SIU part numbers were added. Additional Syntor X 9000 cables have been added to the cables page and some HKN4295A and HLN4304A notes were corrected on the Options and Accessories page. The DEK boxes were added to the Options and Accessories page. A note was added pointing out the special RSS required for dual radios on the intro page.

May 2001:

Syntor X EMS group information was added to the jumpering information and control head information. New HHCH information was added to the Syntor X control head page. The early version Systems 9000 control head jumper table was improved. Some confusing notations in the UHF Syntor X 9000 manual UHF Common Circuits Board parts list were straightened out. I cleaned up the new T-Cable pin outs and added the YKN4214A Dual Radio pin out. Syntor X PAC-RT vehicle repeater information has been added. Systems 9000 Direct Entry Keyboard (DEK) key part numbers were added to the parts page. The Motorola On-Line Retail Price Database has new information. Thanks to Bob Du Brul, WB0RJR, and the Syntor X T83VXJ / HLN4425A documentation he sent me, there has been an update of all the Syntor X DVP related pages. Wherever a reference appeared for DVP or HLN5008A, it has probably been changed. Since this information will only affect a very small number of people (the HLN4425A is not a commonly found part) I will not provide links to all the changes. Now I have information on how the HLN4257 Personality Board can support DVP. Before, the HLN4760 Personality Boards were the only ones that I knew supported DVP. There is a new Syntor X jumper table for the HLN4425A, a dual power YLN4197A DVP only VHF Common Circuits Board and a new UHF range 1 manual supplement. New Syntor Railroad radio information, UHF Unified Chassis Number information, DVP cable information and Manual Part Number information. New Syntor X Pac-PL information and PAC-PL manuals added. Additional Syntor X 9000 Securenet Physical Security Housing information and a note about the DTMF option board firmware version. A new HLN6284C Systems 9000 control head circuit board revision has added a new jumper and moved other jumpers, here is the new jumper locator. The items for sale page has been updated (nothing to sell, just revised information). Some new Syntor X DVP radio cable part numbers were added. An explanation of VPA, DVP and Securenet nomenclature was added to the main page. The surplus page is in the process of growing and outgrowing its Syntor X focus. Added the part number for the Syntor X 9000 long connector knob used with the T-cables.

June 2001:

The Spectra PAC-RT interface cable part number was added to the Syntor X surplus page and control head & accessories page. A recommendation to test radios before converting Syntor X into Syntor X 9000 radios was added to the conversion page. New Syntor X 9000 manual numbers for Systems 9000 dual radios, MDC-600 and the DEK have been added to the manual page. The Syntor X 9000 RSS manual listing has been corrected and expanded, plus the W options codes now have some preliminary Systems 9000 control head dual radio information. A new Syntor X 9000 Visual Tour page is under development and the Surplus Parts Guide has been moved from the Syntor X navigation pages (this has caused me to change each page and update the entire web site). The Syntor X 9000 control head page now has instructions on using Spectra RSS to reset Systems 9000 control heads for conventional Syntor X 9000 use, the 'Alt' and 'Mute' buttons have been added to the Syntor X 9000 control head keys description and the HCN1071 has been added to the cross reference. The Syntor Rail Road model has been added to the Radio Model Quick Locator chart. A firmware part number from the DTMF option board was added to the Syntor X 9000 internal option boards page. Some new Syntor control head cable part numbers were added to the Syntor and Surplus pages. An introduction page was added to the Syntor X and Syntor X 9000 manual pages. Some notes pertaining to the Syntor X HLN4257B / HLN4257A-SP007 Personality Board were corrected. Thanks to Jason Rasmussen for locating the part number for the Syntor X and Syntor X 9000 radio mounting tray. The Syntor X to Syntor X 9000 conversion page has been updated (there is a more detailed discussion about adding your own +5 volt regulator, some highlighting was added, some typos fixed, etc.). New notes were added about the Systems 9000 Siren/PA manual and the Siren/PA itself. Syntor X 9000 Basic Securent information has been added to the internal option board numbers, manuals and option chart (W500). The Syntor X 9000 early version VHF/UHF manual number was added to the manual page.

July 2001:

The extended frequency page had a paragraph added (second paragraph in this section), hopefully it will do a better job of explaining the frequency synthesizer V0 and V1 bits. A suggestion for an inexpensive programming cable was added to the Syntor X 9000 introduction (second to the last paragraph). The parts list for the T-connector used by the Programming, Siren/PA, VRS, External Options Housing, PAC-RT and Dual Radio T-cables was added to the Syntor X 9000 Parts page. The part numbers for the Systems 9000 speaker connector housings and pins have been added to the parts page (these connectors can also be used for Spectra low power programming cables). The part number for the Speaker Hangar Bracket was added to the Syntor X 9000 parts page and the Syntor X accessories. The home page looking for section has a request for the Syntor X Quick Call II manual part number. The Syntor X to Syntor X 9000 conversion page has additional information about the Unswitched +5 volt power supply and I forgot to mention adjusting the Common Circuits Board Current Limit on the "Real Conversion". The Syntor X 9000 compatible Backlit DTMF + Auto-Dial microphone has new part numbers and a better manual description.

August 2001:

Information on the HCN1121 control head was added. A note about covnential Spectra Zone capable control head key layouts was added. The control head cross reference has been updated with some new and some improved information.

September 2001:

Information on the DEK keys was added. The part number for the Syntor X 9000 128 mode non-priority scan U501 EPROM has been located with additional information on the 255 mode non-priority scan U501 EPROM..

November 2001:

I have been away for a while, but I am back and trying to catch up. New part numbers and information for the radio were added. The new information is mainly about the U501 firmware chips. The Syntor introduction was slightly expanded.

December 2001:

A new Syntor X 9000 modification section was added with a HLN4925 Personality Board modification. A new Syntor X 9000 programming problems section was added with material gathered together from other places. Fixed some broken links on the Syntor X 9000 conversion page and some updated the Syntor X 9000E conversion. The Syntor X 9000 programming problems section was fine tuned a bit. I realized that I do not know for sure if the early version HLN1185A and the HKN4246 cable can be successfully combined with a VRS in the same housing (the later version Siren/PA and cable does work). I just can't seem to keep my hands off of the Syntor X 9000 programming problems section yet. A note was added to the Syntor X 9000 HCN1047 control head conversion section and some HCN1055 information was added to the Cross Reference. A note about the control head chip size was added to the Syntor X 9000 New Radio Inspection and it was noted that many of the procedures in the Programming Problems section are also useful for general troubleshooting and repair. Some clarifications were added to the 32 to 64 mode conversion section. I fixed some incorrectly placed Securenet part numbers and added some others (here and here). A warning about identifying positive ground and special purpose Syntor X 9000 radio cable was added to the options page. I found some errors on the Syntor page. I had the wrong power level listed for VHF T63... radios and I forgot to add the unified chassis numbers for the T63... model radios (I have never ever seen an actual T63 or talked to anyone that said they have encountered one, so I guess they are kind of rare). See, I do need a proof reader! I added the Syntor VCO model number chart to the VHF information. The Syntor accessories manual listing was created. The PAC-RT and PAC-PL manual part numbers were added to the Syntor page and updated with two new manual revision numbers (for Syntor X and Syntor X 9000).

January 2002:

The Syntor X 9000 control head information has been changed to emphasize the EEPROM programming and not the firmware is mostly responsible for control head programming problems. The Syntor X 9000 32k EEPROM chip can be used as a substitute for the 8k chip. New Systems 9000 control head part numbers were added. I found a new part number for the MaraTrac control head so I added it to the warning in programming problems and to the control head cross reference. I have an all new update on the control head rocker keys. I have a bunch of new DEK key labels documented (I had to buy all these control head rocker and DEK keys just to find out what is written on them). I added the Systems 9000 External Options Housing part number. Some Quick Call decoder, Quick Call II decoder and Single Tone Encoder manuals were added to the Syntor and Syntor X manual pages. I checked, and the Syntor X 9000 HKN4246A Siren/PA cable is not compatible with the Vehicle Repeater System (VRS). This is also true for Siren/PA + VRS combination conversions also. The defunct AccessPoint instructions were changed.

February 2002:

I found a big mistake, I got my hands on a Syntor X 9000 YLN4470A internal option board and it is not a DTMF board, it is a Single Tone Encoder board. I have edited several web pages (that have not been downloaded to the web site yet) in anticipation of AccessPoint going sway, but it is still there so far. Maybe it will live on? Some Syntor X Quick Call II decoder and MDC-600 circuit board part numbers were added. Motorola confirmed my control head key 38-05672X85 "T/Z" key was a miss-pick it should have been an "A/B" key (38-05669X03 is the part number for the "T/Z" key). While completing my 4th successful low band Syntor X to Syntor X 9000 conversion I had a little problem with the wires running under the Tx Buffer Board so I added this note to help other people make the conversion go a little smoother. New VRS R-NET model numbers were added and the UHF 450-470 MHz model number was corrected. I fixed a broken link to the computer too fast notes on the X9k control head page. An "Extender" definition was added to the glossary page. A new "Basic Control Head Troubleshooting" section was added to the X9k control head page. Photos of an inexpensive Syntor X 9000 programming cable covnersion (photo1, photo2 and photo3) were added to the end of the introduction. A recommendation was added to the SP02 Spectra VRS upgrade to try it with the SP01 chip first. A warning about Motorola SP equipment was added to the last paragraph of the web site introduction after receiving an e-mail explaining that Syntor X 9000 model number T34KEJ7J04AKSP99 was only a receiver with the transmit circuits missing.

March 2002:

Added new mobile voice storage (MVS-20) Syntor and Syntor X manual part numbers. Syntor and Syntor X MVS-20 retrofit kit part numbers were also added. Optional cable kit part numbers were added to the Syntor and Syntor X pages to enhance correct identification of radio cables (i.e. when option cable kit part numbers are found on a radio cable they can cause confusion or cause you to incorrectly identify a radio cable part number). The Syntor X EMS rear control cable part number was added. The new Astro Spectra VRS-750 and Syntor X EMS part number was added to the surplus page (an incorrect cable part number for daisy chaining Spectra and Astro Spectra VRS / VRS-EP to a separate Siren/PA was removed - the VRS T-Cable was incorrectly included in the list before). Motorola brought back some Systems 9000 control head keys (like the low band EXT key). They bumped the price to $ 3.50 for each key they brought back (the prices on the other keys did not change). A warning about programming the VRS was added to the notes on the VRS model chart information and Options and Accessories page (the VRS part numbers were also added to this page). Part numbers for the Systems 9000 Auxiliary Switch Panel were added. Another warning was added to the introduction about part numbers and unified chassis numbers that start with a "Y". The PAC-RT and PAC-PL was added to the Syntor X 9000 models, and a note about the difference between PAC-PL and PAC-RT was added to the Syntor X control heads and accessories page. I added a short explanation about the shortcomings of using a volt meter or ohm meter to diagnose power problems to the Syntor X 9000 programming problems section (a method for checking crimps was also included). There is new information on Systems 9000 dual radios (the reason for the special Systems 9000 control head has finally been found). The Syntor X 9000 manuals page has new part numbers for the wide bandwidth low band antennas, handset hangup unit and instructions on changing the face of a Systems 9000 control head. The Syntor X manuals page also has new part numbers for the wide bandwidth low band antennas. The Syntor page manual section has new part numbers for System 90*s multiple PL encoder, System 90*s accessory group installation and railroad PROM security screws installation manuals. The Syntor X 9000 page has some thoughts on adjusting the Personality Board Squelch Threshold potentiometer R213. A new Syntor X 9000 programming page was added and the programming problems section and some programming introduction stuff was moved to the new page. I repaired some bad table of contents links on the Syntor X 9000 visual tour page and the detailed contents page (they were cross linked to the Syntor X visual tour page). An unusual dual radio programming feature was added to the programming FAQ. A FAQ note was added about programming dual radios. For the do it yourself types, a note about making a YKN4214A Systems 9000 control head dual radio cable from a cut Syntor X 9000 cable was added.

April 2002:

There are no April 1st changes! The PAC-PL and PAC-RT information was put on its own page because it works with the Syntor, Syntor X and Syntor X 9000 radios. New manual part numbers and other stuff was added to the PAC information on the new page. A note about the Portable Priority Interrupt was added to the new PAC page. A note was added about the VRS and PAC-RT compatibility, plus some other VRS information and some additional Mobile Detector programming information to the Syntor X 9000 Programming FAQ. A note about not using PAC units from a moving vehicle and PAC-RT automatic priority resolution when the priority vehicle leaves was added to the PAC page. Fake model numbers have also turned up on Systems 9000 HCN1062 control heads. The HCN1032 and HCN1062 control heads with fake model numbers were added to the Syntor X 9000 Programming Problems page. A contact cleaning chemical from Caig Laboratories was added to the web links and Programming Problems section (DeoxIT is the replacement for the old reliable Cramolin). Some improvements were added to the Programming FAQ section. The Syntor standard cable pin out had a serious typo, the A and B pins were reversed (it is fixed now). Some broken Programming Problems links on the Syntor X 9000 conversions page were fixed. More information was added to the Syntor X 9000 programming FAQ.

June 2002:

The control head display lens part number has been changed to a new part number that was successfully ordered from Motorola (it has the PRI and NON-PRI lettering). The rear housing plastic part number was also added. Fixed the glossary PLCC definition.

July 2002:

The Syntor X unified chassis number HUD1683A had some accidentally transposed digits and was shown incorrectly as HUD1638A (thanks go to Jim KB9KBK for spotting the error). The Syntor has a note about getting substitute EPROMs and EEPROMs to work by changing how power is supplied to the chip. A note was added about some Syntor radios having undocumented wiring on the main interface board with the main J6 connector. A note was added that the Syntor VHF -A revision manual has an early and later main board layout drawing.

August 2002:

A note about being careful not to damage PC board traces when removing chips was added to several pages. A note about programming Syntor radios was added. The PAC page has some new information from xmo on the Batlabs board about channel steering (at the end of the introduction).

October 2002:

A new table was added to the Syntor X 9000 Squelch Threshold Adjustment. More notes were added to the error code prefix table. The main page parts ID explaination was updated because Motorola changed it. Other various updates/changes were made on the main page. A note about incompatible reverse burst systems from other manufactures was added to the Syntor X PL/DPL page. The Syntor X 9000 programming page FAQ had DTMF added, Siren/PA added and a Dual Radio section created (including dual radio Internal Option Board jumpering info). The Syntor X 9000 Personality Board section was expanded, a Rx and Tx audio path drawing was added. Emphasis, Flat Audio, Receive Audio Shaping and Splatter definitions were added to the glossary. The Syntor X had HLN4270A, HLN4270B, HLN4425A and HLN5008A Interface Board audio path drawings added to the Personality Board page. The Syntor X had a HLN4270A and HLN4270B Interface Board jumper setting information added. The Syntor X 9000 programming page had programming cable use added and the computer speed was given its own place because it is such a frequently asked question. Rudimentary information on same band repeat was added to the PAC page. Finally some more activity on the Syntor X packet page (sorry there is still lots more work to do). At least I have started to address the problem of squelch muting received audio to an external modem. Lots of general cleanup, consolidation and editing was done to many pages (i.e. nothing really significant enough to list).

November 2002:

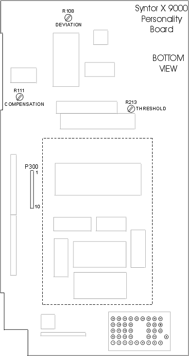
The Syntor X HLN4270A, HLN4270B, HLN4425A and HLN5008A Interface Board audio path drawings incorrectly had pin 5 instead of pin 27 for the Microphone High line. A drawing for the Syntor X / Syntor X 9000 radio cable pin locator of the solder side of the Personality Board was added. A warning was added about home made Syntor X 9000 programming cables and the length of the wires used for the modification. A note on Syntor X HLN1125A and HLN1125B Orange Label Memory Module current drain was added to the end of the Personality Board section. A Syntor X Personality Board U8 microprocessor part number table was added. The Syntor X manual revisions page was updated (the HLN4270A, HLN4270B and HLN4425A notes were corrected and a HLN4270B documentation WMR was added). I got a little more in depth on the Syntor X 9000 squelch threshold adjustment. A Syntor X 9000 Personality Board bottom side locater drawing has been added. The Detailed Contents page now marks the links to image files with a yellow highlight. A new section on integrated circuit chips that effect Syntor X 9000 RSS programming was added. A note about the SP05 RSS was added to the Scan List Syntor X 9000 programming FAQ. Some Syntor X 9000 prioroty mode Scan Squelch information was added. The Syntor X 9000 programming page has had some cleanup work done to the Introduction, Essential Programming Chips and Scan Enable sections. The Syntor X 9000 programming page had Talkback Scan added. Brinkley Electronics is making and selling Syntor EPROM converters. The Syntor X 9000 RSS Frequency Ranges, Scan List and Scan Squelch have been updated. Photographs were addes to the table of contents for the Syntor X control head page, Syntor X control head modifications page, Syntor X 9000 programming page and the detailed table of contents page. New Syntor sections on audio routing, audio muting interface, repeater conversions and a Tx audio path drawing were added. New information was added (11/18/02 - 2:15 PST) to the above audio routing, audio muting interface, repeater conversions and a Tx audio path drawing. A new page was added to try and help select a PROM / EPROM / EEPROM programmer.

December 2002:

Syntor: A new programming software link (http://www.shout.net/~rieslabs/SynPromW32.htm) was added to the links page. A link (http://www.shout.net/~rieslabs/PromAdp1.htm) to the Ries Labs Syntor PROM converter project was added. A link (http://msuarc.egr.msu.edu/syntorx/) to KB8ZQZ's Syntor programming software was added to the links page. The links to the Brinkley Electronics EPROM converter and MCX-100 converter were updated. In fact the entire links page got a cosmetic face lift and other new links.

Syntor X:

Syntor X 9000: The programming section has a new note about backing up code plugs. A note about using the 32 k chip to substitute for the 8 k chip was added to the programming chips section. The Scan List section has a correction on when the control head Scan button does not have to be programmed. The Scan Squelch section has a new note about testing Rx PL/DPL operation. A note about limitations in the maximum number of modes was added to the VRS programming FAQ.

E-mail: a note was added to the introduction about e-mail subject lines (i.e. if it looks like SPAM or a virus, it dies instantly with all the other SPAM and virus e-mails).

January 2003:

Syntor X 9000: The HCN1046 information was added to the control head cross reference table and removed from the wanted information table. Under the Programming Problems section, in the "The conventional Syntor X 9000 radios use a BUSY line..." paragraph, a new note was added about the RIB not meeting the current RS-232 EIA/TIA-232E V.28E specification with an attempt at some work around suggestions for the very few computers that may need help. The Programming page also had some general editing and minor improvements. At the beginning of the Control Head section, after the two fake control head warning paragraphs, an explanation of the Systems 9000 serial data bus was added. A note was added to the VIP II connector about doubling the number of VIP pins with two DEK's. A note was added to the Internal Option Boards section about the dual radio jumpers and the dual radio programming FAQ has more information on these jumpers. Corrected the Options note on the Siren/PA R84 resistor value to 3.48 K ohms at 1% (it was incorrectly listed as 2.4k ohms). The Systems 9000 information was moved from the control head page, expended and given its own brand new Systems 9000 page. Forgot to put the VIP II connector in the DEK parts list. A link to the Batlabs COMMCHEK.TXT page was added to the programming troubleshooting page.

February 2003:

Syntor X / Syntor X 9000: It appears I forgot to mention the low band radio Extender, except for having added it to the glossary last year. I added some short notes in the X / X9000 model pages, X / X9000 manual pages and a FAQ in the X9000 programming page. TheVRS model information and PAC vehicle repeater page has a clarification about not confusing a Motorola Extender with a GE Extender. The Motorola low band manuals are the best source for additional Extender information. The Syntor X and Syntor X 9000 PAC cable wiring pin outs were added.

Syntor X 9000: The Converting Non-Securenet "KEJ" Models and Securenet "KXJ Radio Drawers information was updated (the title was also slightly changed). The special Personality Board U501 firmware for the internal Advanced Securenet Option Board was listed as an unknown part number on the options and parts page. A want was added to the home page for this special U501 part number. The parts page was updated to help alleviate confusion about what the U501 chip 64 and 128 mode designation means. The Systems 9000 page had some new busy line information. The Personality Board description has new information and was updated to fit in with the new Systems 9000 page information. I removed the word "balanced" from all of the Systems 9000 bus descriptions after I realized it is a 0 to +5 volt differential bus, not a symmetrical balanced system with matching + and - bus voltages. It is still balanced around an offset voltage difference between 0 and +5 volts. I just wanted to avoid using any description that might be incorrectly taken to imply symmetrical opposite polarity differential bus voltages. Deep inside the Programming Problems section, when pointing out the failure of the Motorola RIB design to meet the EIA/TIA-232E V.28E RS-232 specification, I blew it. The way I had misworded a sentence made it look like Motorola's documentation might have agreed with this assessment. I have never heard or seen anything from Motorola regarding this RS-232 specification non-compliance. I changed the wording to this "According to the Motorola documentation, the RIB only uses a +5 and -5 volt power supply (which of course can not possibly meet the RS-232 specification)", to make sure there would not be any misunderstanding. I found this one myself, but I really need a good proof reader! An explanation was added to the HOME page to explain just exactly why it can be a really bad idea to call a Syntor X 9000 control head an A9 control head. A new Systems 9000 control head configuration diagram was added and additional editing/updating was done on the Systems 9000 page. A new control head / DEK connector diagram was added and more editing was done on the rest of the page. The control head page VIP information has been updated. Due to confusion between Syntor X 9000 and Spectra control heads, some Spectra control head information was added to the control head page to help straighten it out. Still more Systems 9000 page editing and new serial data and busy schematics were added. The Siren/PA programming FAQ has new information, a note about the External Options Housing was added to the programming FAQ and an additional information explanation was added to the programming FAQ introduction.

Syntor X: The PROM Programmers page was updated. The Programming page EEPROM Programming section was updated to use the new PROM Programmers page. Links to the Syntor X to Syntor X 9000 conversion were added.

Syntor: The repeater conversion Tx power level recommendation was changed slightly. It may be possible that reducing the Syntor Tx power lever may not reduce the heat output very much, I will have to look into it later.

Trunking: Two new Syntor X trunking console model numbers (L35RHB5174 and L35VUB5174) were added to the Quick Locater and Trunking page. The HCN1032 control head information was updated (nothing really new, just more detail).

Yet Another New Format Experiment:

I will collapse old revision information entries back into the old style compressed form after they are a few months old.

March 2003:

Syntor X: The Green and Orange wire colors were added to the cable wiring examples.

Syntor X 9000: The Systems 9000 busy line detail was expanded. The audio configuration diagram was updated. The Physical Security Housing to control head cable information was updated. A note on the function of the SMD control head JU007 and JU008 was added to the jumper table. Control head and DEK circuit board pin outs were added. An improved connector drawing with VIP and VIP II pin numbers was added. A pin out for the Personality Board J301 Internal Option Board(s) socket was added. Motorola used two different pin out number schemes for these pins. This information will allow you to easily sort out the different pin numbers.

April 2003:

Most of April was spent on the new Spectra web site.

May 2003:

Most of May was spent on the new Spectra web site with a side trip to Dayton. Some minor editing was done.

June 2003:

A link to the Spectra information was added to the Syntor home page.

Syntor X 9000: Added new information specifically about FAIL 01/90.

September 2003:

A new LED definition was added to the glossary page.

Syntor X 9000: Added a new Direct Entry Keyboard (DEK) information section.

October 2003:

Syntor: The entire Test Equipment Service Manuals table was copied from the Syntor X page and added to the Syntor manual page.

Syntor X: The R-1033A, RTL-4118A and RTL-4119A radio test set manual part number was added to the manual page. The Syntor X RTK-4043A cable manual part number for the R-1033A was also added.

Syntor X 9000: A better explanation of the trunking control head programming problem was added to the Syntor X 9000E to Syntor X 9000 conversion section. An error in the Detected Audio path direction was corrected in the audio routing diagram drawing. Another control head trouble shooting symptom was added.

Spectra: The Spectra web page link was added to the home page. Someday I will get around to completing the navigation information and get them fully integrate them into the entire web site.

All: The glossary has new Conventional and Trunking entries. The hyperlinks were removed from the top of the Home page. Some editing and other changes were made on the Home page.

November 2003:

All: The opening page has many changes (most are just format/placement changes and embellishments). In the radio model notes I used the terms wide and narrow bandwidths to describe the Rx front end frequency range. These "wide bandwidth" and "narrow bandwidth" terms were changed to "frequency range", to avoid confusion with the new narrow +- 2.5 KHz and old wide +- 5KHz bandwidth standards terminology.

All (except Syntor): A new HHCH section was added to help sort out some of the confusion between Syntor X, Syntor X 9000, Spectra and MaraTrac HHCH units (this new HHCH page may be expanded in the future). The SIU glossary entry was updated. I added some new information to the programmer section.

Syntor X 9000: The MDC-1200 daughter memory board part numbers were added to the options page. MDC-1200 programming notes were added to the programming page. A note about MoSlow was added to the programming page. A note about always programming dual radios separately was added. The HCN1076 head was removed from the looking for information list and added to the reference list.

December 2003:

Syntor X: The J401 Common Circuits Board Connector pin out and J103 Optional HLN5008A Interface Board Connector pin out was added. The Dual Radio Syntor X information was added to the HHCH section. A clarification about the HHCH was added to the Personality Board section.

Syntor X 9000: Some new MDC-1200 information was added to the programming page.

February 2004:

All: A new page with Digital Private Line (DPL) / Digital Coded Squelch (DCS) information was added. It lists the entire DPL/DCS code set and lists all the matching codes. The way my my e-mail address is stored has been changed to an image file to help fight SPAM.

June 2004:

Syntor X: The Hand Held Control Head information in the control head communication scheme was updated and the new HHCH page link was added. Minor editing of the DPL/DCS information on the PL/DPL page. An old broken link was removed and a new Xcat link was added to the links page.

All: New information on DCS NRZ coding and its effects on DCS was added to the DCS page. Additional editing of the DCS page was done to hopefully make it clearer. Yet another DCS page edit.

July 2004:

All: Yet another DCS page edit and a new DCS timing diagram. The surplus page had some VRS comments that needed cleaning up. Even more DCS editing and a new Compensation Alignment link/info.

Spectra: Thanks to W6EM for pointing out the early A9, B9, C9 and E9 special programming adapter.

September 2004:

Syntor X 9000:

The Systems 9000 page was updated with additional information on the Systems 9000 bus drivers and cable extension information.

Spectra:

The Systems 9000 page was updated with additional information on the Systems 9000 bus drivers and cable extension information. I had the wrong cable information for the HKN4363 Siren/PA or VRS Combination Cable and the Spectra HKN6038 VRS Cable. The Siren/PA cable pin out has been verified, but the VRS cable pin out has not been verified. The radio drawer J6 pin 13 information was also updated as a result of correcting the cable information. Information about a problem daisy chaining a Siren/PA to a VRS has been added to the Spectra page. The DB-15 accessory connector J3 connector description was fixed and notes specifically about having the Emergency jumper set correctly so the radio will work were added.

October 2004:

All:

Paul Bennett's web page for the home built programmer moved and the link was corrected on the prom programmer page. The link was also added to the links page.

December 2005:

All:

It has been a long time! In order to better organize my web server disk space, to make working on these web pages easier, and to integrate the Spectra pages into the site (now included in the Detailed Contents), I have reorganized the file structure, page locations and some page names. I apologize to anyone that has lost any links due to this reorganization. The information is still there and can be located again (start at HOME). The information in some sections was changed or updated over a long time while working on the reorganized web pages. I have been keeping two parallel web site versions going and some of the changes (spelling corrections, etc.) were too minor to bother with on the old version pages. The Syntor X directroy which has been used as the main web site entry point in the past, is still in the same location. The Syntor X links will probably still work, but other links may be broken.

The DPL / DCS INFORMATION page has been updated to hopefully do a much better job of explaining exactly what DPL / DCS codes are and how to use them.

January 2006:

All:

Some additional information about DCS error correction has been included on the DCS page. More editing on the DCS page and some links that moved were fixed. It appears the Syntor X Anaconda project is dead. At least I cannot find any surviving web pages on it. While testing the standard DCS codes for any special properties, I found a bug in my test DCS program. I fixed it an it did change the numbers in the DCS page error correction bit error table just a little. New error correction material was also added.

codes are and how to use them.

February 2006:

Syntor X 9000:

A new technique for clearing trunking information from a SMD Systems 9000 control head was discovered by Bruce Lane (http://www.bluefeathertech.com). The trunking programming prevents the Syntor X 9000 from programming the head and there has not been a good way to clear it until now.

All:

As requested, additional background information about DCS has been included on the DCS page.

March 2006:

All:

Repeater-builder.com has added lots of things to their Motorola pages, so there is a new entry on the links page under Motorola Radio Information. A wiring section has been added. It has some information on wiring the power leads to the radios covered on this web site.

August 2006:

All:

The explaination of octal digits in the Glossary was improved and a link to it was added to the DCS page. The Links page has been updated again.

Syntor X:

A note about the low band Compensation adjustment was added to the Common Circuits Board information.

Syntor X 9000:

The HCN1067 control head was removed from the Looking For Control head information table and added to the Systems 9000 Control Head Information Cross Reference. Many thanks to Bob WB0RJR. A note about the low band Compensation adjustment was added to the Personality Board information and the Converesion information.

September 2006:

All:

Additional information was added to the DCS page about the order the DCS bits are actually sent in and it was pointed out that some radios actually generate DCS signals with rounded edges rather than just relying on a filter to knock out the DCS harmonics above 300 Hz.

February 2007:

Syntor X 9000:

The YKN4231A Spectra Auxiliary Receiver T-cable was added to the Options and Accessories page and Surplus Parts page. An internal Full Feature Securenet board and U501 firmware part number was added to the Options and Accessories page. The Personality board jumper table was revamped.

December 2007:

Syntor X 9000:

An internal Advanced Securenet board and U501 firmware part number was added to the Options and Accessories page. The web links have been updated for Ries Labs.

February 2008:

All:

The entire web site has moved to a new home. The open.org server is being taken down in July 2008. The old open.org e-mail account (not that it worked very well, being forced through a blind SPAM remover where I never was able to find out what was removed) is going away on March 1st 2008. So, a new contact e-mail picture is on the way as soon as I can get to it (possibly a contact form instead).

November 2008:

All:

Added a separate PL / CTCSS page that applies to all these radios. Cleaned up an added some navigation on most of the pages. The KB8ZQZ's Syntor X miscellany page page has been located again. A typo correction and DCS reverse burst information was added (thanks to WB0RJR for pointing these out).

Syntor X 9000:

The Visual Tour page bottom photo "click on" hot spots were fixed. A negative ground only warning sticker that only applies to some radios was added to the home page and common circuits board description. The parts page has new VIP pin and pin removal tool part numbers (thanks to WB0RJR).

Spectra:

The parts page has new VIP pin and pin removal tool part numbers (thanks to WB0RJR).

January 2009:

All:

Some new PL / CTCSS page information about the 131.8 Hz (3B) and 136.5 Hz (4Z) PL / CTCSS tones was added..

2016:

Syntor X:

Restored the missing  Syntor X Code Plug page. I also forgot to add this to this revision page information at the time.


March 2017:

Syntor X:

I found and fixed a bad  Syntor X Code Plug link on the Syntor X transmitter time out page..

 


[SYNTOR] [SYNTOR X] [SYNTOR X 9000 and X 9000E] [TRUNKING SYNTOR X and SYNTOR X 9000] [SPECTRA]

[PL] [DPL] [PAC-PL and PAC-RT VEHICLE REPEATERS][HHCH] [PROM PROGRAMMERS] [POWER WIRING]

[GLOSSARY] [WEB LINKS] [SURPLUS PARTS GUIDE] [ITEMS FOR SALE] [WEB SITE REVISIONS] [CONTACT]

[TOP] [HOME]

 

--

PL, Private Line, DPL, Digital Private Line, MPL, Talkaround, MDC-600, MDC-1200, MVS-20, Securenet, Smartnet, Privacy Plus, Trunked X2, Trunked X3, Touch Code, Quick Call II, Channel Scan, Talkback Scan, System 90, System 90*s, Systems 9000, Mitrek, Micor, Spectra, MataTrac, Syntor, Syntor X, Syntor X 9000 and Syntor X 9000E are trademarks of Motorola Inc.